
| 型号 | |
|---|---|
| 軸承 | 23228-E1-K-TVPB |
| X-life | XL |
| 退卸(xiè)套 | AHX3228G |
| 質量m | |
| 軸承 ≈kg | 17.1 |
| 退(tui)卸套 ≈kg | 1.72 |
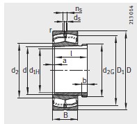
| 尺寸 mm | |
| d 1H | 135 |
| d | 140 |
| D | 250 |
| B | 88 |
| r min | 3 |
| D 1 ≈ | 216 |
| d 2 ≈ | 162 |
| d s | 6.3 |
| n s | 12.2 |
| a ≈ | 5 |
| b | 15 |
| 螺紋(wén) d 2G | M150×2 |
| I | 104 |
| 安裝尺寸 mm | |
| d a min | 154 |
| D a max | 236 |
| r a max | 2.5 |
| 基本(běn)額定載荷 N | |
| 動載(zai)荷 C r | 1090000 |
| 靜載荷 C or | 1400000 |
| 計算(suan)系數 | |
| e | 0.33 |
| Y 1 | 2.04 |
| Y 2 | 3.04 |
| Y 0 | 2 |
| 疲勞極限(xiàn)載荷 C ur / N | |
| 疲勞極限(xian)載荷 C ur / N | 113000 |
| 極限轉速(sù) n G /min –1 | |
| 極限轉速 n G /min –1 | 2400 |
| 參考(kao)轉速 n B /min –1 | |
| 參考轉速(su) n B /min –1 | 1550 |
河北(běi)绵阳春洁精密(mi)制造有限责任(rèn)公司(4G网站)專業(ye)銷售 我们-23228-E1-K-TVPB-調心(xin)滾子軸承, 我们(men)-23228-E1-K-TVPB-調心滾子軸承(cheng) 相關信息有: 型(xing)号 我们-23228-E1-K-TVPB 内徑:140 外(wai)徑:250 厚度:88 類别:調(diào)心滾子軸承 ,想(xiǎng)要更多的了解(jiě) 我们-23228-E1-K-TVPB-調心滾子(zi)軸承 的相關信(xìn)息,可以進行在(zài)線咨詢或者撥(bō)打熱線電話 ,我(wǒ)們會詳細為您(nín)服務。
我们-23228-E1-K-TVPB-調心(xin)滾子軸承 使用(yong)範圍很廣,我们(men)-23228-E1-K-TVPB-調心滾子軸承(cheng) 主要應用于工(gōng)程機械、機床、汽(qi) 車、冶金、礦山、石(shí)油、機械、電力、鐵(tie)路等行業,本公(gong)司銷售的 我们(men)-23228-E1-K-TVPB-調心滾子軸承(cheng) 價格合理,保證(zhèng)質量,全方面的(de)服務,盡一切滿(mǎn)足客戶的需求(qiú)。
·
·
•