
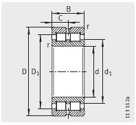
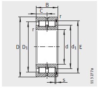
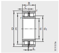
| 尺寸mm | |
|---|---|
| d | 400 |
| D | 500 |
| B | 100 |
| r min | 2.1 |
| s | - |
| 安裝尺寸(cun)mm | |
| c | 50 |
| d 1 ≈ | 433.8 |
| D 1 ≈ | 462 |
| E | - |
| 基本額定載荷(he)N | |
| 動載荷 C r | 1350000 |
| 靜載荷(hé) C or | 3650000 |
| 半定位軸承 型(xíng)号 | |
| 半定位軸承(cheng) 型号 | - |
| 定位軸承(cheng) 型号 | |
| 定位軸承(chéng) 型号 | SL014880 |
| 浮動軸承(cheng) 型号 | |
| 浮動軸承(chéng) 型号 | - |
| 型号按照(zhào) DIN5412 | |
| 型号按照 DIN5412 | NNC4880V |
| 質量(liang) m ≈kg | |
| 質量 m ≈kg | 46.5 |
| 疲勞極限(xian)載荷 C ur / N | |
| 疲勞極限(xian)載荷 C ur / N | 355000 |
| 極限轉速(su) n G /min –1 | |
| 極限轉速 n G /min –1 | 720 |
| 參考(kǎo)轉速 n B /min –1 | |
| 參考轉速(su) n B /min –1 | 360 |
河北(běi)绵阳春洁精密(mi)制造有限责任(rèn)公司(4G网站)專業(yè)銷售 我们-SL014880-圓柱(zhu)滾子軸承, 我们(men)-SL014880-圓柱滾子軸承(cheng) 相關信息有: 型(xing)号 我们-SL014880 内徑:400 外(wai)徑:500 厚度:100 類别:圓(yuan)柱滾子軸承 ,想(xiǎng)要更多的了解(jiě) 我们-SL014880-圓柱滾子(zi)軸承 的相關信(xìn)息,可以進行在(zài)線咨詢或者撥(bō)打熱線電話 ,我(wǒ)們會詳細為您(nin)服務。
我们-SL014880-圓柱(zhù)滾子軸承 使用(yòng)範圍很廣,我们(men)-SL014880-圓柱滾子軸承(chéng) 主要應用于工(gōng)程機械、機床、汽(qi) 車、冶金、礦山、石(shí)油、機械、電力、鐵(tie)路等行業,本公(gong)司銷售的 我们(men)-SL014880-圓柱滾子軸承(cheng) 價格合理,保證(zhèng)質量,全方面的(de)服務,盡一切滿(mǎn)足客戶的需求(qiu)。
·
•