
| 尺寸mm | |
|---|---|
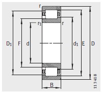
| d | 35 |
| D | 72 |
| B | 23 |
| r min | 1.1 |
| r 1 min | 0.6 |
| s 1) | - |
| E | 64 |
| F | 44 |
| D 1 ≈ | 61 |
| d 1 ≈ | 48 |
| B 1 | - |
| B 2 | - |
| B3 | 4.5 |
| 安裝(zhuāng)尺寸mm | |
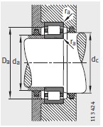
| d a min 2) | 39 |
| d a max | - |
| d c min | 50 |
| D a max 2) | 65 |
| r a max | 1 |
| 基本(ben)額定載荷(hé)N | |
| 動載荷 C r | 72000 |
| 靜(jing)載荷 C or | 64000 |
| 型号(hào) | |
| 軸承 | NUP2207-E-TVP2 |
| X-life | XL |
| L形斜(xie)擋圈 | - |
| 極限(xian)轉速 n G /min –1 | |
| 極限(xian)轉速 n G /min –1 | 10000 |
| 參考(kao)轉速 n B /min –1 | |
| 參考(kao)轉速 n B /min –1 | 7300 |
| 質量(liang) m | |
| 軸承 ≈kg | 0.427 |
| L形斜(xie)擋圈 ≈kg | - |
| 疲勞(lao)極限載荷(hé) C ur /N | |
| 疲勞極限(xian)載荷 C ur /N | 10800 |
我们-NUP2207-E-TVP2-圓柱(zhu)滾子軸承(cheng) 使用範圍(wei)很廣,我们(men)-NUP2207-E-TVP2-圓柱滾子(zi)軸承 主要(yào)應用于工(gong)程機械、機(jī)床、汽 車、冶(ye)金、礦山、石(shí)油、機械、電(diàn)力、鐵路等(deng)行業,本公(gong)司銷售的(de) 我们-NUP2207-E-TVP2-圓柱(zhu)滾子軸承(chéng) 價格合理(lǐ),保證質量(liàng),全方面的(de)服務,盡一(yī)切滿足客(kè)戶的需求(qiu)。
地址(zhǐ)
傳(chuan)真
電子郵(you)件
技(jì)術支持:華(huá)軸網

