
| 尺寸mm | |
|---|---|
| 用于(yú)脂潤滑 | NX17-Z |
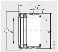
| F w | 17 |
| D | 26 |
| C -0.25 | 28 |
| C 1 | 8 |
| d w E8 | 17 |
| r min | 0.3 |
| 基本額(é)定載荷N | |
| 徑向 動(dong)載荷/C r | 13500 |
| 徑向 靜載(zǎi)荷/C or | 15000 |
| 軸向 動載荷(he)/C r | 5800 |
| 軸向 靜載荷/C or | 11500 |
| 型(xing)号 | |
| 用于油潤滑(huá) | NX17 |
| X-life | XL |
| 質量m ≈kg | 53 |
| 極限轉速(sù) n G min –1 | |
| 極限轉速 n G min –1 | 7500 |
| 疲勞(lao)極限載荷N | |
| C ur | 2750 |
| C ua | 510 |
| 安裝(zhuāng)尺寸mm | |
| C 2 | 12.2 |
| D 1 | 28.5 |
| d a | 21 |
| r a max | 0.3 |
| 推薦的内(nei)圈 型号 | |
| 推薦的(de)内圈 型号 | IR14X17X17 |
| 合适(shi)的卡環 | |
| 合适的(de)卡環 | WR26、SW26 |
地(dì)址
聯系電話
傳真(zhen)
電子郵件
技術支持(chí):華軸網

