
| 尺寸(cun)mm | |
|---|---|
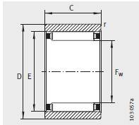
| F w | 30 |
| D | 42 |
| C | 32 |
| E | 37 |
| r min | 0.3 |
| 基本額定載荷N | |
| 動(dong)載荷 C r | 45000 |
| 靜載荷 C or | 67000 |
| 型号(hao) | |
| 型号 | RNAO30X42X32-ZW-ASR1 |
| X-life | |
| X-life | XL |
| 質量 m ≈kg | |
| 質量 m ≈kg | 137 |
| 疲(pi)勞極限載荷 C ur /N | |
| 疲勞(láo)極限載荷 C ur /N | 11100 |
| 極限轉(zhuǎn)速 n G min –1 | |
| 極限轉速 n G min –1 | 14600 |
| 參考(kao)轉速 n B min –1 | |
| 參考轉速 n B min –1 | 8500 |
| 安(an)裝尺寸mm | |
| D b | 30.6 |
| d b | 36.4 |
| D a | 37.5 |
| r a max | 0.3 |
Copyright © 河北绵(mián)阳春洁精密制造(zào)有限责任公司(4G网(wǎng)站) 版權所有 備案(an)号:冀ICP備2021001625号-1
技術支(zhī)持:華軸網


·
•