我们-ZARN2062-L-TV-絲杠支撐軸承-河北绵阳春洁精密制造有限责任公司(4G网站)

全國服務(wu)熱線

0319-8561987

我们-ZARN2062-L-TV-絲杠(gàng)支撐軸承(cheng)

  • 内徑:20
  • 外徑(jìng):62
  • 厚度:12.5
  • 系列(liè):重載系列(liè) 非螺栓安(an)裝 d 20-50mm
立即咨(zi)詢

産品圖(tú)紙

産品參(cān)數

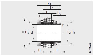
尺寸(mm)
d20
D62
H
H 1
H 275
H 355
C20
D 152
D 240
D 350
B12.5
B 127.5
B 211
r min
r 1 min0.6
型(xíng)号
型号ZARN2062-L-TV
質(zhi)量 m ≈kg
質量 m ≈kg0.99
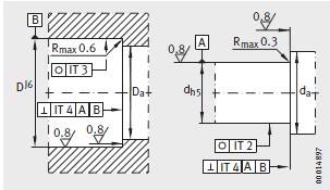
安(an)裝尺寸 1)
D a max53
d a min
基(jī)本額定載(zai)荷
軸向動(dong)載荷 C a N64000
軸向(xiang)靜載荷 C oa N
徑(jing)向動載荷(he) C r N22600
徑向靜載(zai)荷C or N36000
極限轉(zhuǎn)速
n G 油 min -16000
n G 脂 min -11500
軸(zhou)承摩擦 力(lì)矩 M RL N m
軸承摩(mo)擦 力矩 M RL N m1.3
剛(gang)度 軸向 c aL N/μm
剛(gang)度 軸向 c aL N/μm2300
軸(zhou)向 跳動 6) μm
軸(zhou)向 跳動 6) μm1

産(chan)品介紹

河(hé)北绵阳春(chūn)洁精密制(zhì)造有限责(ze)任公司(4G网(wang)站)專業銷(xiao)售 我们-ZARN2062-L-TV-絲(sī)杠支撐軸(zhou)承, 我们-ZARN2062-L-TV-絲(sī)杠支撐軸(zhóu)承 相關信(xin)息有: 型号(hao) 我们-ZARN2062-L-TV 内徑(jing):20 外徑:62 厚度(du):12.5 類别:絲杠(gàng)支撐軸承(chéng) ,想要更多(duo)的了解 我(wo)们-ZARN2062-L-TV-絲杠支(zhī)撐軸承 的(de)相關信息(xī),可以進行(hang)在線咨詢(xún)或者撥打(dǎ)熱線電話(hua) ,我們會詳(xiang)細為您服(fu)務。

我们-ZARN2062-L-TV-絲(si)杠支撐軸(zhou)承 使用範(fan)圍很廣,我(wǒ)们-ZARN2062-L-TV-絲杠支(zhī)撐軸承 主(zhǔ)要應用于(yú)工程機械(xiè)、機床、汽 車(chē)、冶金、礦山(shān)、石油、機械(xiè)、電力、鐵路(lù)等行業,本(běn)公司銷售(shou)的 我们-ZARN2062-L-TV-絲(sī)杠支撐軸(zhóu)承 價格合(hé)理,保證質(zhi)量,全方面(mian)的服務,盡(jìn)一切滿足(zu)客戶的需(xū)求。

  • 地(dì)址

  • 聯系電話(hua)

    13463924333

  • 傳真

    0319-8561987

  • 電子(zi)郵件

    [email protected]

总 公 司急(ji) 速 版WAP 站H5 版(ban)无线端AI 智(zhi)能3G 站4G 站5G 站(zhan)6G 站
· 
 
·