
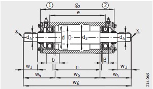
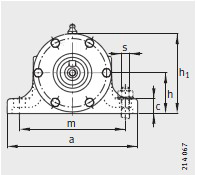
| 型号 | |
|---|---|
| 軸承(chéng)單元 | VRE324-B |
| 軸承① | NJ324-E-TVP2 |
| 軸(zhou)承② | 6324-C3 |
| 軸承座 | VR324-A |
| 軸(zhou) | VRW324-A |
| 尺寸 | |
| d | 120 |
| D | 260 |
| B | 55 |
| a | 500 |
| g 2 | 705 |
| h 1 | 320 |
| d 2 | 140 |
| d 4 | 110 |
| w 2 | - |
| w 3 | 210 |
| w 4 | 318 |
| w 5 | 524 |
| w 6 | 1160 |
| w 7 | - |
| b | 100 |
| n | 540 |
| m | 410 |
| c | 40 |
| h | 160 |
| s | M24 |
| 質量 m | |
| 軸(zhóu)承座 ≈kg | 170 |
| 單元 ≈kg | 277 |
| e | 603 |
我们-NJ324-E-TVP2-軸(zhou)承座 使用範(fan)圍很廣,我们(men)-NJ324-E-TVP2-軸承座 主要(yao)應用于工程(chéng)機械、機床、汽(qì) 車、冶金、礦山(shan)、石油、機械、電(diàn)力、鐵路等行(háng)業,本公司銷(xiāo)售的 我们-NJ324-E-TVP2-軸(zhou)承座 價格合(hé)理,保證質量(liàng),全方面的服(fú)務,盡一切滿(mǎn)足客戶的需(xu)求。