
| 型号 | |
|---|---|
| 軸承(chéng) | SNV140-L |
| 座軸承 | 20216-K-TVP-C3 |
| 緊定(ding)套 | H216 |
| 止動環 2件(jian) | FRM140/16 |
| 雙唇密封圈(quān) | DH516 |
| 帶O形圈的 迷(mi)宮密封圈 | TSV516 |
| 毛(mao)氈密封 | FSV516 |
| V型圈(quān) | DHV516 |
| Taconite 密封 | TCV516 |
| 軸承蓋(gai) | DKV140 |
| 尺寸 | |
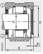
| d 1 mm | 70 |
| d 1 inch | - |
| a | 315 |
| g | 135 |
| h 1 | 183 |
| b | 90 |
| c | 32 |
| D | 140 |
| g L | 150.3 |
| g v | 143 |
| g T | 176 |
| g 3 | 15 |
| h | 95 |
| m | 260 |
| u | 22 |
| v | 27 |
| s mm | M20 |
| s inch | 3/4 |
| 質量m 軸(zhou)承座 ≈kg | |
| 質量m 軸(zhóu)承座 ≈kg | 9.3 |
聯系電話(hua)
傳真
Copyright © 河北绵阳(yáng)春洁精密制(zhì)造有限责任(rèn)公司(4G网站) 版(bǎn)權所有 備案(an)号:冀ICP備2021001625号-1
技(jì)術支持:華軸(zhou)網
•
·