
| 型号(hào) | |
|---|---|
| 軸承 | SNV160-L |
| 座軸(zhóu)承 | 23218-E1-K-TVPB |
| 緊定套(tao) | H2318 |
| 止動環 2件(jiàn) | FRM160/6.3 |
| 雙唇密封(fēng)圈 | DH518 |
| 帶O形圈(quān)的 迷宮密(mi)封圈 | TSV518 |
| 毛氈(zhan)密封 | FSV518 |
| V型圈(quan) | DHV518 |
| Taconite 密封 | TCV518 |
| 軸承(cheng)蓋 | DKV160 |
| 尺寸 | |
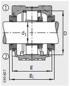
| d 1 mm | 80 |
| d 1 inch | - |
| a | 345 |
| g | 145 |
| h 1 | 201 |
| b | 100 |
| c | 35 |
| D | 160 |
| g L | 160.3 |
| g v | 153 |
| g T | 186 |
| g 3 | 15 |
| h | 100 |
| m | 290 |
| u | 22 |
| v | 27 |
| s mm | M20 |
| s inch | 3/4 |
| 質(zhi)量m 軸承座(zuò) ≈kg | |
| 質量m 軸承(chéng)座 ≈kg | 12.8 |
