
| 尺寸mm | |
|---|---|
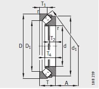
| d | 670 |
| D | 900 |
| T | 140 |
| D 1 | 773 |
| d 1 | 855 |
| r min | 6 |
| T 1 | 74 |
| T 2 | 50 |
| T 3 | 81 |
| T 4 | 93 |
| A | 364 |
| 安裝(zhuāng)尺寸mm | |
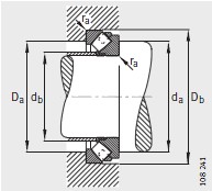
| d a min | 775 |
| D a max | 836 |
| D b min | 915 |
| d b max | 710 |
| r a max | 5 |
| 基本(běn)額定載荷(he)N | |
| 動載荷 C a | 4900000 |
| 靜(jìng)載荷 C oa | 26000000 |
| 型号(hào) | |
| 型号 | 292/670-E-MB |
| 質量(liàng)m ≈kg | |
| 質量m ≈kg | 228 |
| 疲勞(láo)極限載荷(he) C ua N | |
| 疲勞極限(xiàn)載荷 C ua N | 1190000 |
| 極限(xian)轉速 n G min –1 | |
| 極限(xiàn)轉速 n G min –1 | 630 |
| 參考(kǎo)轉速 n B min –1 | |
| 參考(kǎo)轉速 n B min –1 | 365 |

·
•
·