
| 尺(chǐ)寸mm | |
|---|---|
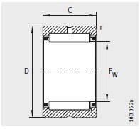
| F w | 52 |
| D | 68 |
| C | 40 |
| r min | 0.6 |
| 基本額定(dìng)載荷N | |
| 動載荷(hé) C r | 79000 |
| 靜載荷 C or | 127000 |
| X-life | |
| X-life | XL |
| 疲勞(lao)極限載荷 C ur /N | |
| 疲(pi)勞極限載荷(hé) C ur /N | 21400 |
| 極限轉速 n G min –1 | |
| 極(jí)限轉速 n G min –1 | 8200 |
| 質量(liàng)m ≈kg | |
| 質量m ≈kg | 338 |
| 參考轉(zhuǎn)速 n B min –1 | |
| 參考轉速(sù) n B min –1 | 4600 |
| 型号1 | |
| 型号1 | - |
| 型(xíng)号2 | |
| 型号2 | - |
| 型号(hào)3 | |
| 型号3 | RNA6909-ZW |
| 型号4 | |
| 型(xíng)号4 | - |
河北绵阳春(chun)洁精密制造(zao)有限责任公(gong)司(4G网站)專業(yè)銷售 我们-RNA6909-ZW-機(jī)加工滾針軸(zhou)承, 我们-RNA6909-ZW-機加(jiā)工滾針軸承(chéng) 相關信息有(yǒu): 型号 我们-RNA6909-ZW 内(nèi)徑:52 外徑:68 厚度(du):40 類别:機加工(gong)滾針軸承 ,想(xiǎng)要更多的了(le)解 我们-RNA6909-ZW-機加(jia)工滾針軸承(cheng) 的相關信息(xī),可以進行在(zai)線咨詢或者(zhě)撥打熱線電(diàn)話 ,我們會詳(xiáng)細為您服務(wu)。
聯(lián)系電話
傳真(zhēn)
電子郵件
技術支(zhī)持:華軸網


·
·