

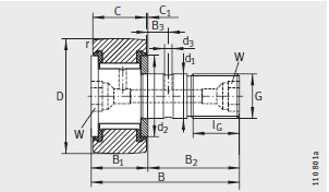
河北绵阳春(chūn)洁精密制造(zao)有限责任公(gōng)司(4G网站)專業(yè)銷售 我们-KR90-PP-滾(gun)輪, 我们-KR90-PP-滾輪(lún) 相關信息有(you): 型号 我们-KR90-PP 内(nèi)徑: 外徑:90 厚度(dù):100 類别:滾輪 ,想(xiǎng)要更多的了(le)解 我们-KR90-PP-滾輪(lún) 的相關信息(xī),可以進行在(zai)線咨詢或者(zhě)撥打熱線電(diàn)話 ,我們會詳(xiáng)細為您服務(wu)。
我们-KR90-PP-滾輪 使(shǐ)用範圍很廣(guǎng),我们-KR90-PP-滾輪 主(zhǔ)要應用于工(gōng)程機械、機床(chuang)、汽 車、冶金、礦(kuang)山、石油、機械(xie)、電力、鐵路等(děng)行業,本公司(si)銷售的 我们(men)-KR90-PP-滾輪 價格合(he)理,保證質量(liàng),全方面的服(fú)務,盡一切滿(man)足客戶的需(xu)求。

•·•
·
·