| 型号 | |
|---|---|
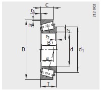
| 型(xing)号 | 32207-A |
| 尺寸(cùn)mm | |
| d | 35 |
| D | 72 |
| B | 23 |
| C | 19 |
| T | 24.25 |
| r1, r2 min | 1.5 |
| r3, r4 min | 1.5 |
| a ≈ | 18 |
| d 1 ≈ | 53.9 |
| 安裝尺(chi)寸mm | |
| d a max | 43 |
| d b min | 42 |
| D a min | 61 |
| D a max | 65 |
| D b min | 67 |
| C a min | 3 |
| C b min | 5.5 |
| r a max | 1.5 |
| r b max | 1.5 |
| 基本(ben)額定載(zai)荷N | |
| 動載(zai)荷 C r | 71000 |
| 靜載(zai)荷 C or | 84000 |
| 計算(suàn)系數 | |
| e | 0.37 |
| Y | 1.6 |
| Y 0 | 0.88 |
| 質(zhi)量/ m ≈kg | |
| 質量(liang)/ m ≈kg | 0.482 |
| 疲勞極(ji)限載荷(hé) C ur / N | |
| 疲勞極(ji)限載荷(hé) C ur / N | 10200 |
| 極限轉(zhuǎn)速 n G min –1 | |
| 極限(xian)轉速 n G min –1 | 9800 |
| 可(kě)互換型(xíng)号按照(zhào) ISO355 | |
| 可互換(huan)型号按(an)照 ISO355 | T3DC035 |
| 參考(kao)轉速 n B min –1 | |
| 參(cān)考轉速(su) n B min –1 | 6000 |
河北(běi)绵阳春(chun)洁精密(mi)制造有(yǒu)限责任(rèn)公司(4G网(wǎng)站)專業(ye)銷售 我(wǒ)们-32207-A-圓錐(zhui)滾子軸(zhou)承, 我们(men)-32207-A-圓錐滾(gun)子軸承(chéng) 相關信(xìn)息有: 型(xing)号 我们(men)-32207-A 内徑:35 外(wài)徑:72 厚度(du):23 類别:圓(yuan)錐滾子(zi)軸承 ,想(xiǎng)要更多(duō)的了解(jie) 我们-32207-A-圓(yuán)錐滾子(zi)軸承 的(de)相關信(xìn)息,可以(yi)進行在(zai)線咨詢(xún)或者撥(bō)打熱線(xian)電話 ,我(wǒ)們會詳(xiang)細為您(nín)服務。
我(wo)们-32207-A-圓錐(zhui)滾子軸(zhóu)承 使用(yong)範圍很(hen)廣,我们(men)-32207-A-圓錐滾(gǔn)子軸承(cheng) 主要應(ying)用于工(gōng)程機械(xiè)、機床、汽(qi) 車、冶金(jin)、礦山、石(shí)油、機械(xie)、電力、鐵(tiě)路等行(háng)業,本公(gōng)司銷售(shou)的 我们(men)-32207-A-圓錐滾(gǔn)子軸承(chéng) 價格合(hé)理,保證(zhèng)質量,全(quan)方面的(de)服務,盡(jin)一切滿(mǎn)足客戶(hù)的需求(qiu)。
技(jì)術支持(chí):華軸網(wang)

·