
| 推力(lì)圓柱滾子軸承(cheng) | |
|---|---|
| 型号1 | 81109-TV |
| 型号2 | - |
| 型号(hao)3 | - |
| 型号4 | - |
| 質量m ≈kg | 0.13 |
| 推力(li)圓柱滾子和保(bao)持架 組件 | |
| 型号(hào) | K81109-TV |
| 質量m ≈kg | 0.035 |
| 推力軸承(chéng)墊圈 | |
| 座圈 型号(hao) | GS81109 |
| 軸圈 型号 | WS81109 |
| 墊圈(quan) 型号 | LS4565 |
| 質量m ≈kg | 0.047 |
| 尺寸(cùn)mm | |
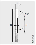
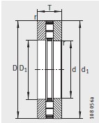
| D c1 d | 45 |
| D 1 | 47 |
| D c D | 65 |
| d 1 | 65 |
| T | 14 |
| D w | 6 |
| B | 4 |
| a r min | 0.6 |
| 滾道尺寸 | |
| E b | 47 |
| E a | 63 |
| 基本(běn)額定載荷N | |
| 動載(zǎi)荷 C a | 59000 |
| 靜載荷 C oa | 163000 |
| 疲勞(láo)極限載荷 C ua N | |
| 疲勞(láo)極限載荷 C ua N | 16000 |
| 極限(xiàn)轉速 n G min –1 | |
| 極限轉速(sù) n G min –1 | 5300 |
| 參考轉速 n B min –1 | |
| 參考(kǎo)轉速 n B min –1 | 1970 |
地址(zhi)
聯(lián)系電話
電(diàn)子郵件

•
·
·