我们以匠心工(gōng)藝成就高品質(zhi)軸承品牌
您的(de)位置:首頁産品(pin)中心

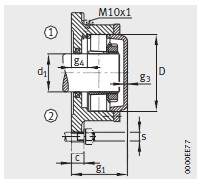
| 型号 | |
|---|---|
| 軸承座 | F515-A-L |
| 軸(zhóu)承1 | 2215-K-TVH-C3 |
| 軸承2 | 22215-E1-K |
| 緊定套(tào) | H315 |
| 止動環 | FRM130/10 ( 1 ) |
| 毛氈條(tiáo)a×b×l/件 | 8X6.5X245 / 1 |
| 尺寸 | |
| d 1 | 65 |
| a | 190 |
| g 2 | - |
| h 1 | 190 |
| c | 25 |
| D | 130 |
| g 1 | 97 |
| g 3 | 6 |
| g 4 | 30 |
| h | 95 |
| m | 215 |
| s(mm) | M16 |
| s(inch) | 5/8 |
| 質量 m 軸(zhou)承座 ≈kg | |
| 質量 m 軸承(chéng)座 ≈kg | 9.5 |

